Explore our services
Design Engineering
Design brief formulation - clarifying the problem of a task and proposing a possible solution to the client. Design brief, is the initial stage prior any project/product development and addresses four points, namely the design goal, the context, the constraints and the criteria of the project/product to be developed respectively.
Sketches - Development of sketches. Sketches are rough drawings that have a primary function to assist the designer together with the client to creatively resolve the problem of a task. Rough models may be used in conjuction or in lieu of sketches. Rough models represent in reallity and in small scale the concept of the project/product.
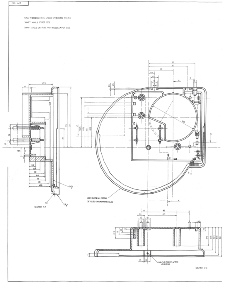
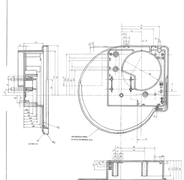
Detailed drawings - Development of detailed drawings e.g. 2D, 3D and CAD drawings. Detailed drawings include scale drawings, that specify all the dimensions that are necessary for the design of the project/product.
Design specification - This is the specification of the project/product which among the design brief and drawings includes the enginnering analysis of the project/product e.g. materials analysis, geometry and mathematical modelling (dimensions and weights), stress/strain analysis.
Prototype / rapid prototype - Development of the project/product basis the design specification using various building techniques. Rapid prototyping or 3D printing involves the production of the project/product or components of product using various building techniques.


Design engineering examples
Detailed drawings
Sketches / rough models
Design specification


Sunglasses CAD drawing


Automobile seat sketch


CAD FEA (finite element) deformation analysis of a building tower
Automobile seat, rough 3D model


Design process phases


2D drawing, orthographic projection of a wall fan
Automobile 5-point wheel tool CAD (concept development)
Address
Syngrou Ave. 196, 176 71, Kallithea, Greece
EUID: ELGEMI.170382803000
contact
admin@tedservicesproducts.com
+30-698 9887102
ΘΕΟΔΩΡΟΣ ΧΡΙΣΤΟΔΟΥΛΑΤΟΣ ΜΟΝ. Ι.Κ.Ε. © 2024. All rights reserved.
